您正在使用IE浏览器,为了获得更好的浏览体验,请升级到最新版Edge浏览器或者安装Chrome内核浏览器获得最佳浏览体验。 查看详情 / 关闭提示

X

更换或升级浏览器以获得最佳体验。

当前浏览器版本过低,可能会有安全风险且无法正常显示。建议您升级或使用其他浏览器。

若您当前使用的浏览器为QQ浏览器或者360浏览器仍出现该提示,请切换至极速模式。

便民地图

两江政策

您当前的位置: 首页> 政务公开> 基层政务公开> 水利> 水土保持 > 水土流失防治及监督管理

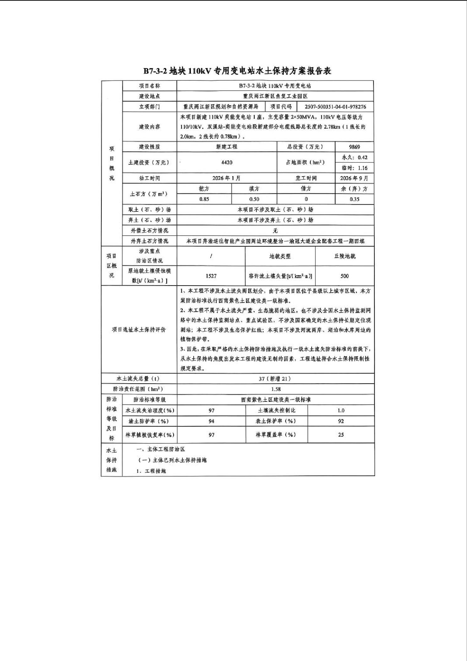
B7-3-2地块110kV专用变电站水土保持方案报告表

日期:2025-11-04

字号:
分享:
打印:

分享到微信朋友圈
×

打开微信,点击底部的“发现”, 使用“扫一扫”即可将网页分享至朋友圈。

扫一扫在手机打开当前页